服务热线
155 3750 9966
螺纹连接是汽车制造中使用最广泛的连接方式,螺纹连接质量直接影响到汽车装配质量和行驶可靠性。而影响螺纹连接可靠性的因素有材料、摩擦系数、紧固件加工方法等。企业常规的螺栓性能测试可以测出螺栓的扭矩、抗拉强度,但同一螺栓,不同扭矩状态产生的轴向力是多少? 影响轴向力有哪些因素? 怎样防止螺栓松脱? 摩擦系数与紧固件使用性能之间的关系如何?这些问题值得思考。
近些年来,随着先进检测设备的引入,发现在紧固件生产过程中,相关因素对摩擦系数的影响,从而影响紧固件装配后的轴向力,使紧固件装配后过松(扭矩明显下降) 或过紧,造成螺栓松动或断裂。


试验方法
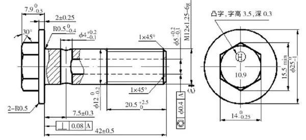
试验用紧固件为VVT 正时齿轮螺栓M12×1.25-42,形状尺寸如图1 所示,材料为SCM435,强度为10T,试验件硬度57~58 HRC(不是产品原要求的硬度,为试验而特殊设计的) 。

图1 试验螺栓的形状和尺寸
对试验螺栓进行了4 种不同的表面处理,分别为镀锌不上油、镀锌上油、磷化上油、发黑( 氧化) 上油,其中前三种状态上油均为RPA-8 干性防护油。并在德国制造的TesT 摩擦系数试验机( 轴力仪205S.3.1100N.M)上测试摩擦系数。


试验结果与分析
测试4 种表面处理状态螺栓的扭矩与轴向力和总摩擦系数的关系,结果见图2。

a) 磷化上油; ( b) 发黑( 氧化) 上油; ( c) 镀锌上油; ( d) 镀锌不上油
图2 总扭矩与轴向力的关系

表1 4种表面状态螺栓的摩擦系数和轴向力的关系
将以上4 组试验数据汇总于表1 中。从表1 数据可以看出:
1、相同零件,不同表面处理,摩擦系数相近,扭矩相同的,轴向力也相近。如表面磷化上油和表面镀锌上油的摩擦系数相近,其轴向力也相近。
2、相同零件,不同表面处理,扭矩相同,摩擦系数越小,轴向力越大,即拧紧力越大。如表面磷化的摩擦系数最小,而轴向力最大。因摩擦系数不同,造成轴向力不同,即拧紧力不同。
3、相同零件,不同表面处理,相同轴向力,摩擦系数越大,扭矩越大。如表面氧化摩擦系数最大,其扭矩也最大。
4、相同零件,相同表面处理,涂油和不涂油状态,所产生的力( 扭矩、轴向力) 是不同的。如表面镀锌上油和不上油状态的扭矩和轴向力差异较大。
综上分析,结合紧固件常用表面处理(包括达克罗、Cr+3电镀、锌镍电镀、锌铝涂层等) 在装配、使用过程的情况,可以得出: 螺栓不同的摩擦系数,扭矩相同,轴向力不同,即摩擦系数越大,轴向力越小; 反之,摩擦系数越小,轴向力越大。这提醒我们,相同的零件不同厂家生产,螺栓摩擦系数不同,相同的装配扭矩,会产生不同的轴向力(即螺栓拧紧力) 。在装配、使用过程中,可能做得精致(摩擦系数小) 的螺栓会断裂、失效; 而做得粗糙(摩擦系数大) 的螺栓会(经过振动)松动或松脱。装配过程中,偶然因素,个别螺栓沾到油后装配,因摩擦系数变小,可能会出现在装配或使用时,螺栓断裂现象; 也就是说螺栓摩擦系数对装配性能产生很大的影响。
但是,影响螺栓摩擦系数的因素很多: 包括螺纹、支承面( 接触面) 倾角、接触面大小/毛刺(冲压的凹凸面)、热处理性能、表面处理状态等。所以,生产过程中,制造商要确保生产过程的稳定,生产关键或高强度紧固件,要有摩擦系数试验机等相关的检测设备来验证过程的稳定性和产品的一致性。避免不同批次螺栓摩擦系数较大离散,影响装配和使用,避免螺栓松脱或断裂。

结语
通过轴力仪摩擦系数试验,我们知道了摩擦系数是如何影响螺栓副装配和使用性能的,对制造与装配的配合关系有了更深的认识。对于汽车紧固件制造商,要了解客户的装配和使用要求并考虑摩擦系数对螺栓性能的影响来做好生产过程的工艺策划,才能提供客户满意的产品。

